上海恒點傳動設備有限公司
加微信聯系 恒點減速機QQ2:51228482
[HTML] [XML]  産品展示産品展示-RSS  新聞中心新聞中心-RSS  技術支持技術支持-RSS
産品分類: 減速機蝸輪絲杆升降機轉向箱蝸輪蝸杆減速機齒輪減速機行星齒輪減速機擺線針輪減速機無級變速機大功率減速器
上海恒點傳動設備有限公司
資訊分類
和産品相關的技術文章
當前位置:網站首頁 > 技術支持 > SWLD5輸入配電機法蘭 頭部配球頭關節軸承 配雙軟防護罩 實物照片-恒點原創

SWLD5輸入配電機法蘭 頭部配球頭關節軸承 配雙軟防護罩 實物照片-恒點原創

Tags: SWL蝸輪絲杆升降機    發布時間: 2023-09-08
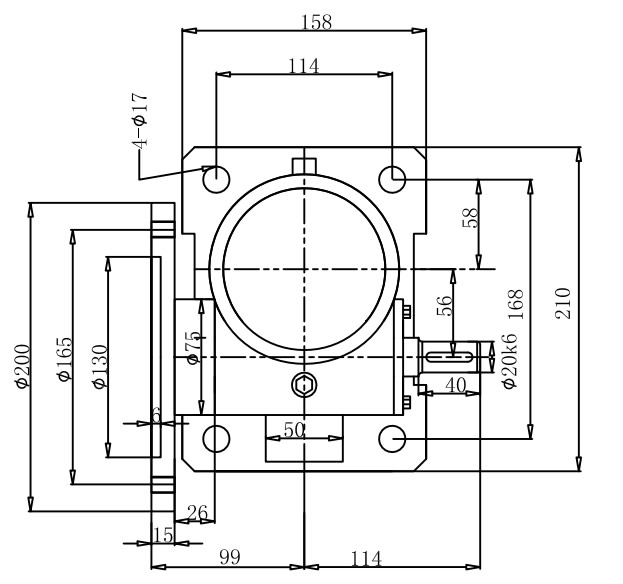
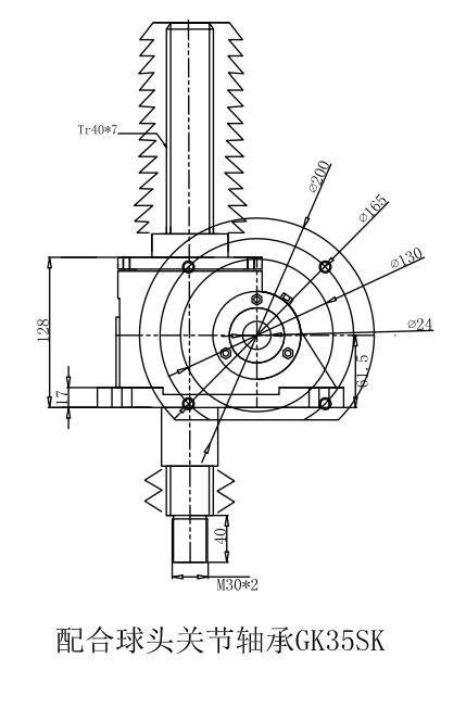
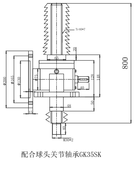
  SWLD5絲杆升降機 ,輸入配90B5法蘭,接1.5KW電機 ,型号舉例:SWLD5-12-1B-III-800-FZ-90B5-雙防護,在螺紋頭部,配GK35SK的球頭關節軸承,絲杆總長度800mm,中速比1:12。
 SWLD5的底面安裝尺寸168*114,絲杆規格Tr40*7,客戶現場粉塵多,絲杆的上部和下部都配有軟防護罩,以保證絲杆在上下升降時,都有防護。
 以下是SWLD5輸入配電機法蘭 頭部配球頭關節軸承 配雙軟防護罩 實物圖和外形尺寸圖:
SWLD5輸入配電機法蘭 頭部配球頭關節軸承 配雙軟防護罩 實物圖

SWLD5輸入配電機法蘭 頭部配球頭關節軸承 配雙軟防護罩 外形尺寸圖
SWLD5輸入配電機法蘭 頭部配球頭關節軸承 配雙軟防護罩 外形尺寸圖
SWLD5輸入配電機法蘭 頭部配球頭關節軸承 配雙軟防護罩 外形尺寸圖

上一篇 上一篇: HDA09換向器 軸入通孔出 HDA09-2:1-E實物圖-恒點原創
下一篇 下一篇: 絲杆升降機輸入軸的旋轉方向與絲杆升降的關系圖
相關新聞文章 > 查看更多
304不鏽鋼爲什麽叫304? 2026-01-16
如何拆卸耕整機的齒輪箱零件 2025-12-08
合金元素Cr在40Cr、GCr15、CrWMn、1Cr13、1Cr18Ni9Ti、9CrSi2鋼中的作用 2025-11-17
獲得牢固釺焊接頭的關鍵是什麽 2025-10-23
什麽叫裝配,裝配的三要素是什麽,金屬結構的連接方法有哪幾種 2025-09-24
如何確定标準偏差的位數 2025-07-02
螺紋種類有多少 2025-04-04
什麽是球規值?什麽是球分規值? 2025-02-10
什麽是可分離軸承和不可分離軸承? 2024-12-31
什麽是軸承單元? 2024-12-18
什 麽 是 關 節 軸 承 2024-12-03
什麽是軸承的理論徑向遊隙、安裝遊隙、工作遊隙 2024-11-18
返回頂部 關閉本頁】 【打印本頁
電 話:021-22815912  021-22816186  傳 真:021-32050712   郵箱:sales@021jsj.cn  減速機 絲杆升降機 轉向箱 蝸輪蝸杆減速機
Copyright©2009-2026上海恒點傳動設備有限公司 版權所有  地址:上海市金山區亭林鎮林寶路39号  郵編:200442  滬ICP備10206998号-2 
友情鏈接機械設備網 | 渦街流量計 | 輸送機 | 變頻控制櫃 | 破碎機 | 工業同城 | 手持終端 | 柴油發電機 | uv平闆打印機 | 風淋室 | QUV | 防火門 | 九愛圖紙 | 感應加熱設備 | 輸送帶廠家 | 噪聲治理 | 西門子plc | 拖鏈電纜 | AGV | 機械雜志 | 現代機械 | UWB高精度定位 |